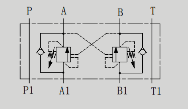
Flangeable dual counterbanlance valve. Free flow A towards A1 and B towards B1, perfect seal A1 towards A and B1 towards B through adjustable check valves and operated pilot valve. Flanging: ISO CETOP 3 Recommended for open centre controls.
| Model | OCBW-43 |
| Pilot Ratio | 4.3:1 |
| Adjustance Pressure Range (MPa) | 10-35 |
| Standard Setting(MPa) | 35 |
| Flow Range (l/min) | 5-45 |
| Max.Peak Pressure (MPa) | 35 |
| Valve body(Material)Surface treatment | (Casting)Surface nickel plated |
| Oil cleanliness | NAS1638 class 9 and ISO4406 class 20/18/15 |
Installation Dimensions
Write your message here and send it to us















