The stackable circuit selector valves, type MOP.06.6,allows one single drive of 6 users with 5 elements connected in series. As they are moved from high performances solenoids they don’t need the external drainage . This valves can manage high hydraulic powers with a minimal pressure drop.
| Model | MOP.06.6 |
| Max Flow rate(L/min) | 50 |
| Max operating pressure(MPa) | 25 |
| Valve body(Material)Surface treatment | (casting)phosphating surface |
| Oil cleanliness | NAS1638 class 9 and ISO4406 class 20/18/15 |
Characteristic curves(measured with HLP46,Voil=40℃±5℃)
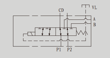
Installation Dimensions
Write your message here and send it to us
-
HSV08-25 Two-Way, Two-Position, Spool-Type Cart...
-
MPV SERIES MODULAR PRESSURE RELIEF VALVES DIREC...
-
HSLS04-B30 Ball-Type, Cartridge Shuttle Valve
-
PUMP SIDE INLET ELEMENTS WITH PRIMARY PRESSURE ...
-
DWHG32 SERIES SOLENOID PILOT OPERATED DIRECTION...
-
HSRVGS-LCN Pilot-operated, balanced poppet reli...

















