Technical data
| Model | SVK10 |
| Max Flow rate(L/min) | 80 |
| Max operating pressure(MPa) | 25 |
| Valve body(Material)Surface treatment | (casting)phosphating surface |
| Oil cleanliness | NAS1638 class 9 and ISO4406 class 20/18/15 |
Characteristic curves(measured with HLP46,Voil=40℃±5℃)
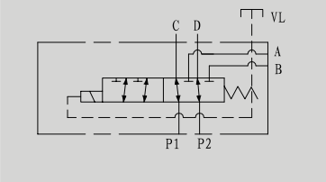
Installation Dimensions
Write your message here and send it to us

















