Write your message here and send it to us
-
Z2DS16 SERIES PILOT CONTROLLED MODULAR CHECK VA...
-
DWHG25 SERIES SOLENOID PILOT OPERATED DIRECTION...
-
Z2DS6 SERIES PILOT CONTROLLED MODULAR CHECK VALVES
-
WHG SERIES HYDRAULIC OPERATED DIRECTIONAL VALVES
-
QE SERIES SOLENOID OPERATED UNLOADING BALL VALVES
-
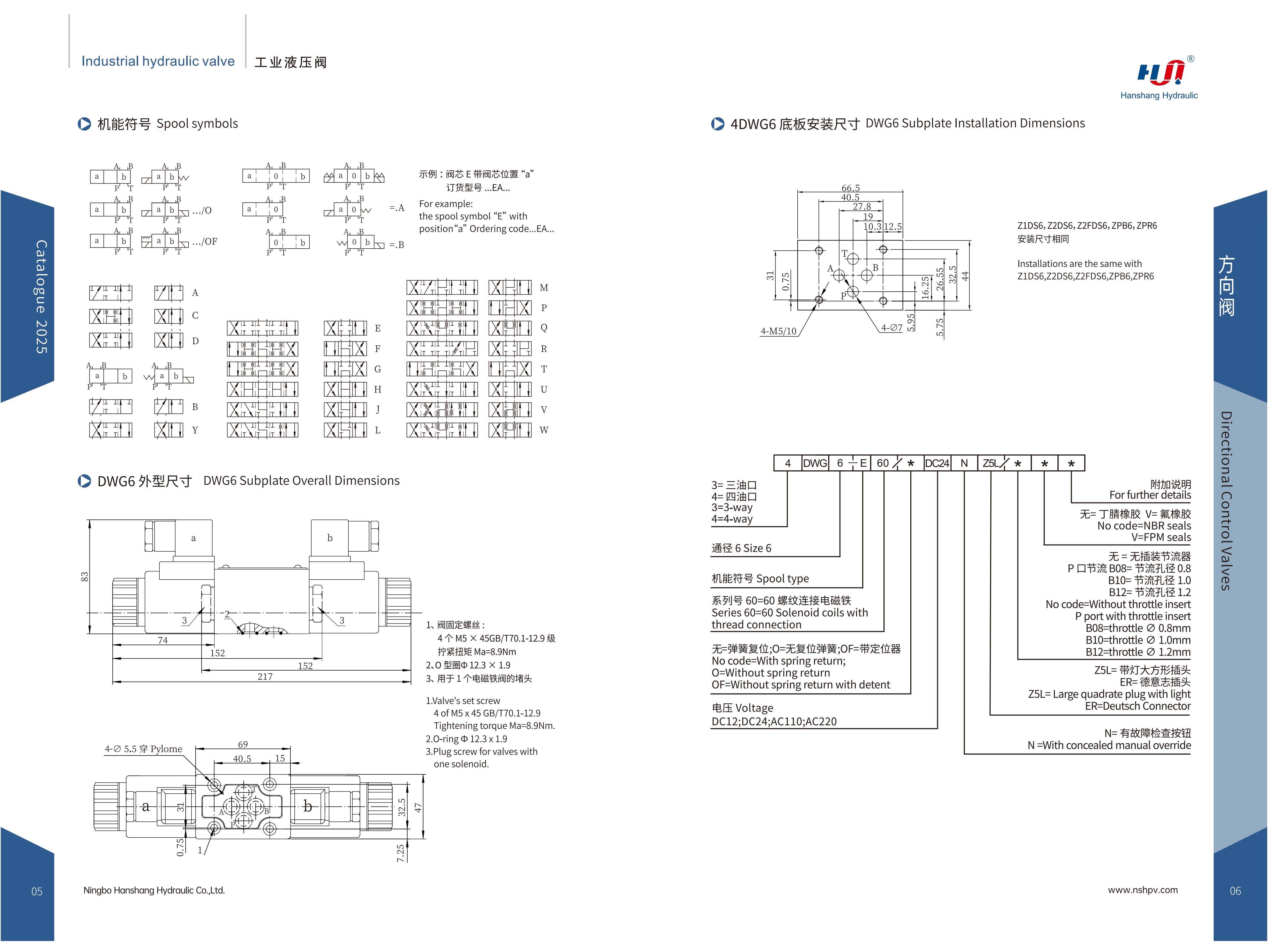
4DWG6-EL Series Solenoid Operated Directional C...

















