Write your message here and send it to us
-
4DWG4 SERIES SOLENOID OPERATED DIRECTIONAL CONT...
-
DWMG32 SERIES MANUALLY OPERATED DIRECTIONAL VALVES
-
HSDSG-01 SERIES SOLENOID OPERATED DIRECTIONAL C...
-
4DWG10 Series Solenoid Operated Directional Con...
-
QE SERIES SOLENOID OPERATED UNLOADING BALL VALVES
-
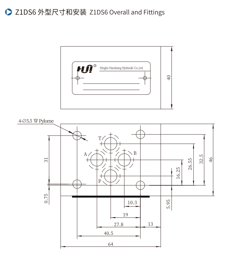
Z2DS22 SERIES PILOT CONTROLLED MODULAR CHECK VA...
















