Phone: +86-574-86361966
E-mail: marketing@nshpv.com
English
Home
About Us
Company Profile
Certifications
Factory Tour
Products
Industrial Hydraulic Valve
Directional Control Valve
Pressure Control Valve
Flow Control Valve
Accessories
Mobile Hydraulic Valve
Directional Control Valves
Pressure-Control Valves
Counter Balance Valves
Flow-Control Valves
Compact Hydraulic Valves
Hydraulic Cartridge Valves
Solenoid Valves
2-way2-Position
3-way2-Position
4-way2-Position
4-way3-Position
5-way3-Position
Coils
Counter Balance
Standard
Directional Valves
Check Valves
Pressure Control Valves
Relief Valves
Pressure Reducing Valves
Sequence Valves
Flow Control Valves
Needle Valves
Pressure Compensated Valves
Flow Dividing/Combining Valves
Standard Housings
Cavities
Industrial Hydraulic Valve-1
Pressure control valve-1
Directional control valve-1
Flow control valves-1
Accessories-1
Mobile hydraulic valve-1
Flow diverter-1
Directional control valves-1
Flow control valve-1
Relief valve-1
Counterbalance valve-1
OCBW-1
Bankable directional valve-1
Catalog
Contact Us
News
Home
Products
Hydraulic Cartridge Valves
Solenoid Valves
Coils
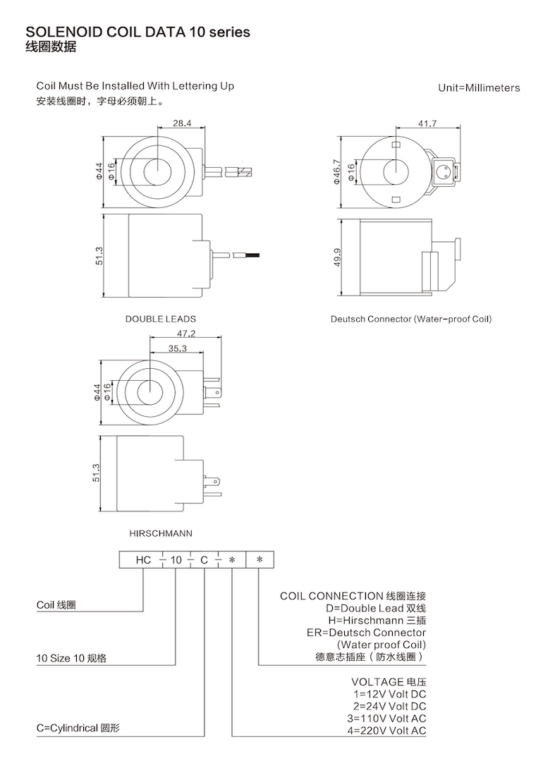
SOLENOID COIL DATA10 series
Short Description:
Send email to us
Download as PDF
Product Detail
Product Tags
Previous:
SOLENOID COIL DATA 08 series
Next:
OTHER SIZE SOLENOID COIL DATA
Write your message here and send it to us
RELATED PRODUCTS
SOLENOID COIL DATA08 series
SOLENOID COIL DATA 08 series
OTHER SIZE SOLENOID COIL DATA
WhatsApp Online Chat !
English
French
German
Portuguese
Spanish
Russian
Japanese
Korean
Arabic
Irish
Greek
Turkish
Italian
Danish
Romanian
Indonesian
Czech
Afrikaans
Swedish
Polish
Basque
Catalan
Esperanto
Hindi
Lao
Albanian
Amharic
Armenian
Azerbaijani
Belarusian
Bengali
Bosnian
Bulgarian
Cebuano
Chichewa
Corsican
Croatian
Dutch
Estonian
Filipino
Finnish
Frisian
Galician
Georgian
Gujarati
Haitian
Hausa
Hawaiian
Hebrew
Hmong
Hungarian
Icelandic
Igbo
Javanese
Kannada
Kazakh
Khmer
Kurdish
Kyrgyz
Latin
Latvian
Lithuanian
Luxembou..
Macedonian
Malagasy
Malay
Malayalam
Maltese
Maori
Marathi
Mongolian
Burmese
Nepali
Norwegian
Pashto
Persian
Punjabi
Serbian
Sesotho
Sinhala
Slovak
Slovenian
Somali
Samoan
Scots Gaelic
Shona
Sindhi
Sundanese
Swahili
Tajik
Tamil
Telugu
Thai
Ukrainian
Urdu
Uzbek
Vietnamese
Welsh
Xhosa
Yiddish
Yoruba
Zulu