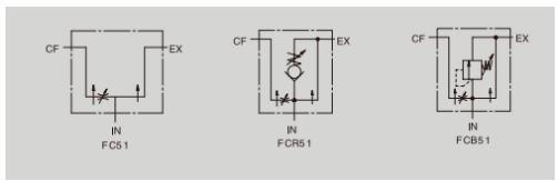
Selecting the right hydraulic variable flow control valve is crucial for optimizing system efficiency and longevity. The FC51 FULL RANGE PRESSURE COMPENSATING flow control valve ensures that the hydraulic system operates within designed parameters, minimizing wear and tear. Additionally, identifying specific needs of the hydraulic system, such as flow rate and environmental factors, enhances performance. Supplier reliability plays a vital role in this process, ensuring that quality industrial hydraulic valve components are readily available.
Key Takeaways
- Understand flow rate requirements. Assess both minimum and maximum flow needs for your hydraulic system.
- Evaluate pressure ratings. Ensure the valve can withstand the maximum pressure to prevent system failures.
- Check compatibility with existing components. Match the valve’s size and port configuration to your hydraulic setup.
Key Specifications for Hydraulic Variable Flow Control Valve

.jpg)
.png)
When selecting a hydraulic variable flow control valve, understanding key specifications is essential. These specifications directly influence the valve’s performance and compatibility with your hydraulic system.
Flow Rate Requirements
Flow rate is a critical specification that determines how much fluid the valve can handle. It is essential to assess both the minimum and maximum flow needs of your system. Consider whether precise control is necessary for your application.
Key Considerations:
- Minimum and maximum flow rates
- Need for precise control
- Fluid characteristics, including viscosity and temperature
The following table summarizes important flow rate specifications:
| Specification | Description |
|---|---|
| Flow Range Requirements | Minimum and maximum flow needs, and whether precise control is necessary. |
| Fluid Characteristics | Type of hydraulic fluid, operating temperature range, and corrosiveness. |
| Accuracy Requirements | Need for precise speed control and tolerance for flow variation. |
Pressure Ratings
Pressure ratings indicate the maximum pressure the valve can withstand. This specification is vital for ensuring the valve operates safely within the system’s limits.
The following table outlines standard pressure ratings for hydraulic variable flow control valves:
| Pressure Rating | Value |
|---|---|
| Standard 1 | 3000 PSI |
| Standard 2 | 1500 PSI |
| Standard 3 | 10000 PSI |
| Standard 4 | 6000 PSI |
Understanding these ratings helps prevent system failures and ensures optimal performance.
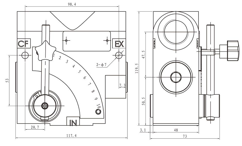
Size and Port Configuration
The size and port configuration of a hydraulic variable flow control valve significantly influence installation flexibility. Proper sizing ensures compatibility with existing components and available space in the hydraulic system.
Important Factors:
- Port configuration determines compatibility with fittings and sealing methods.
- Different port types have unique threading and sealing requirements.
- Clearance issues may arise with certain port types, affecting installation ease.
Application Needs for Hydraulic Variable Flow Control Valve

When selecting a hydraulic variable flow control valve, understanding the application needs is essential. Different hydraulic systems and environmental conditions can significantly influence the performance and longevity of the valve.
Type of Hydraulic System
The type of hydraulic system plays a crucial role in determining the appropriate variable flow control valve. Two primary categories exist: open-loop and closed-loop systems.
Key Differences:
- Open-loop systems provide basic position control without feedback. This setup leads to less precision in flow control.
- Closed-loop systems utilize feedback mechanisms. They allow for more precise control of hydraulic devices by adjusting based on the actuator’s position.
Common applications for hydraulic variable flow control valves include:
| Type of Valve | Application |
|---|---|
| Throttle Valves | Used in machine tools and automation equipment for precise speed control. |
| Proportional Valves | Common in industrial automation and aerospace for advanced flow control. |
Pressure-compensated variable flow control valves are particularly beneficial. They maintain a constant flow rate under varying conditions, making them essential for applications requiring precise control over hydraulic movement.
Environmental Conditions
Environmental factors significantly affect the performance of hydraulic variable flow control valves. Key considerations include temperature, contamination, and pressure conditions.
Important Environmental Factors:
- Contaminants, especially solid particles, can cause wear, jamming, and loss of control in hydraulic valves.
- High fluid temperatures can increase internal leakage and reduce efficiency.
- Free water in oil can lead to corrosion and wear, particularly when ice crystals form at low temperatures.
Manufacturers design hydraulic valves to withstand harsh conditions. They use premium materials to ensure durability and rigorously test valves for quality. This design approach reduces downtime and maintenance costs, enhancing operational value.
Compatibility with Existing Components
Compatibility with existing components is vital when integrating a new hydraulic variable flow control valve. Several factors must be considered to avoid potential issues:
| Factor | Description |
|---|---|
| Flow Rate | The valve must handle the system’s maximum flow rate without excessive pressure drops. |
| Operating Pressure | The valve’s maximum allowable pressure must align with the system’s pressure levels. |
| Temperature Range | The valve should resist wear or performance changes due to varying temperature conditions. |
| Fluid Compatibility | Internal materials of the valve must be compatible with the hydraulic fluid to prevent failure. |
| Response Time | A quick response time is essential for applications needing rapid flow or pressure changes. |
| Mounting and Size | The valve’s dimensions and mounting options must fit the hydraulic setup constraints. |
| Operational Modes | The valve type should match the desired mode of operation (manual, electric, or pneumatic). |
Application-specific requirements, such as temperature and pressure conditions, directly influence valve performance and longevity. Material compatibility is crucial, especially in corrosive environments, to prevent premature failure.
Evaluating Suppliers of Hydraulic Variable Flow Control Valve
Selecting a reliable supplier for hydraulic variable flow control valves is essential for ensuring optimal performance and longevity of hydraulic systems. Evaluating suppliers involves assessing their reputation, quality assurance practices, and customer support services.
Assessing Supplier Reputation
A supplier’s reputation can significantly influence the decision-making process. Key criteria to consider include:
| Criteria | Description |
|---|---|
| Reliability | Essential for minimizing downtime and ensuring long-term performance. |
| Regulatory Compliance | Necessary to meet safety and environmental standards relevant to the industry. |
| Cost Considerations | Involves a comprehensive analysis of initial and lifecycle costs, emphasizing the importance of quality over price. |
| Future Flexibility | Important for accommodating potential system expansions and ensuring access to advanced technologies. |
A strong reputation often correlates with positive customer experiences. Suppliers with a proven track record typically receive favorable reviews, which can provide insights into their reliability and product quality.
Quality Assurance Practices
Quality assurance practices are vital for maintaining high standards in hydraulic variable flow control valves. Leading manufacturers implement rigorous testing methods to ensure product integrity. Common practices include:
| Testing Method | Purpose |
|---|---|
| Radiographic Testing (RTB) | Detects internal casting flaws |
| Ultrasonic Testing (UT) | Identifies weld or forging defects |
| Hydrostatic & Pneumatic Testing | Verifies pressure integrity and leakage rates |
| Metallurgical Testing | Confirms alloy composition per ASTM/EN standards |
ISO certifications, particularly ISO 9001, play a crucial role in demonstrating the quality and reliability of hydraulic products. These certifications signify compliance with international quality management standards, enhancing customer trust and perceived product quality.
Customer Support and Service
Effective customer support is a hallmark of a reputable supplier. A strong technical support team assists customers in selecting the appropriate hydraulic variable flow control valve from a wide range of options. This ensures they find the best-fit solution for their specific needs.
Key aspects of customer support include:
- Expert assistance for sourcing specific configurations
- Availability of a repair center for servicing valves
- Support for project management and component replacement
After-sales service also influences long-term satisfaction. Customers often express gratitude for high-quality support that resolves various concerns. A commitment to excellent after-sales support, including technical assistance and prompt issue resolution, can significantly enhance the overall customer experience.
Selecting the right hydraulic variable flow control valve requires careful consideration of specifications, application needs, and supplier evaluation.
Key Takeaways:
- Identify the valve type and ensure proper sizing.
- Match flow capacity and pressure ratings to prevent issues.
- Research suppliers to find those offering exceptional durability and technical support.
Thorough research leads to informed decisions, enhancing system performance and reliability. Sourcing from reputable suppliers ensures access to quality products and ongoing support.
FAQ
What is a hydraulic variable flow control valve?
A hydraulic variable flow control valve regulates fluid flow in hydraulic systems, ensuring optimal performance and efficiency.
How do I determine the right flow rate for my system?
Assess your system’s minimum and maximum flow requirements based on application needs and hydraulic specifications.
Why is supplier reliability important?
Reliable suppliers ensure consistent quality, timely delivery, and effective customer support, which enhances overall system performance and longevity.





